|
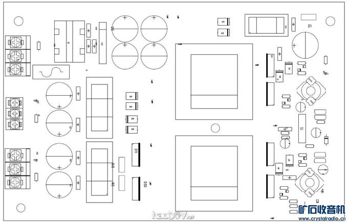
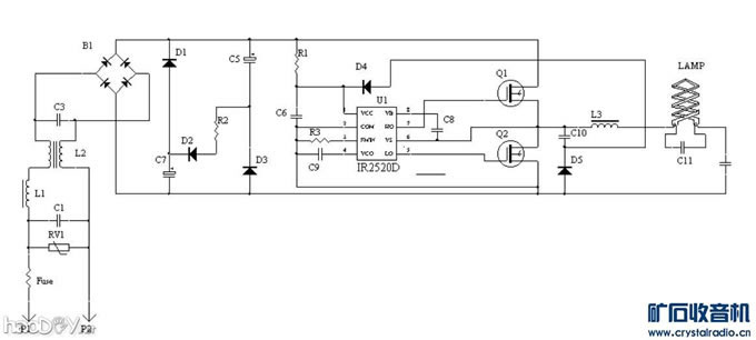
前段时间买了个D类功放板推个低音炮,芯片是IRS2092S,可惜没在匹配的电源,只好将就的用了个不到200W左右的E牛。因为之前有用做过开关电源作为放大器的电源,所以也打算为IRS2092s度身定做一个开关电源。 决定了之后, 就以前的电源拓扑再做一个,只是加大功率,电压。这拓扑是一个自激半桥的电路,做好后,热机测试还可以,但在带重负载开机时,电源却不能起振荡,也就是说此电源不能用到此功放板上,因为此功放板有4个4700uF/80V的大电容,在开机时需要很大的启动电流。 推倒之前的电源拓扑后,只能另找方法了,经过一段时间的搜集和比较: 功放电源是开环的,它有更适用于功放的大动态,更快的反应; 正激,可以提供较大的功率,带载能力更好; 双管正激,没有单管的高反压,没有半桥,全桥的上下管直通的危险,基本上调试完成后就不用再管了; 交错并联双管正激,单组正激的占空比可以做到50%,两组50%错开开通,那就是100%了。就是无论负载如何变,都能即时的得到最足的功率。 好吧,就用交错并联双管正激了 驱动芯片就用自己比较熟悉的 SG3525A, MOS管用库存还多的拆机 IRFP460, 主变磁芯用两ETD49,驱动磁芯用两RM6,共模电感用拆处电脑电源里的,差模电感用33的黄白环, SG3525A供电由主变加一组输出经L7818稳压提供,启动由Vcc处取; 一组正负25V提供给前置低通滤波用,前置低通滤波有7815,7915再稳压; 两组交错并联主力电压为正负70V,提供给IRS2092S功放板用; 最后得到的拓扑图 ![]() 做封装是很累的事,边学边做,不敢发去打样,怕人笑 (PCB还真的有错,L7818的脚序封装错了,--!) 后来根据调试情况又修改了部分元件。 ![]() ![]() 用激光打印机打印到胶片,铜板涂感光胶,太阳下晒。 经多次失败才制成的一片 先装电阻,后卧式件,小件,电容,再立式的,大件的, 开关主变还没装, 装上驱动变压器,想办法给SG3525A通电,看下波形; 电路正常下装上一路的主变和MOS等全部完件(这个忘记拍照了),调到正常,主要都是调Vds和驱动的波形,开关频率,部分元件可能要调整,记住,一定要串上一个白炽灯,当有把握时再加全电压,这是金钱与汗水的教训。 半电压下的Vds波形,一切都还好 全电压下的Vds波形,只坚持不到1分种,爆了 炸了一个MOS和一个快速二极管,查,调整,再爆,再查,再调,又爆了, 降频,把FR307,换HER308(只有这个),终于好了 看下调好的波形: 连续开机十多分钟,没问题,输出电压也和设计时相差不多,有146V(正负73V),开心。然后是试带负载,用的是一个电炉,输出约200W多点,MOS管在没有加散热的情况下有点热,输出端的整流管和续流管也有点烫,最热的是后面的储能电感,手没法在上面停留超5秒,输出电压跌落到 99V(正负49.5V),电压跌落大可能就是开环控制的硬伤了,其它的还都好,功率开关变压器只是暧暧的,后力十足。测试一段时间后,确定一切安好,把另一路的主变和MOS管也装上, 换个视角, 上电,很安静,不错的开始。量了下空载电压,有146V,和单路输出的一样。然后接上电炉负载,看下计量插座输入330W ,输出电压126V(正负63V),压降变小了,电炉热得很快。但负责输出功率的MOS管却只是暧暧的,输出级的整流管也相似,续流管更是没感觉有温升,之前的储能电感热得受不了,现在却像不存在,一点温度也没有,有点出人意料,输出的功率大了,反而热度没了。后来想了下,也明白了,单路输出时,占空比约是49.5%,没法再加了(了解SG3525的都应该知道,CT电容需要一个放电过程,亦即所为的死区时间),两路转出后,占空比约是99%了,留下的些小时间不足以让储能电感发热了,现在的储能电感更象是单纯的滤波电感了,而MOs管现在是两组共同提供330W,分开是165W 一路,所以,在没有加散热器时也只是暖手的温度,功率开关变压器在长时间的测试中也只是暧暧的。 到现在,可以说电源差不多完工了,剩下的是给装上散热,连机调试,再安个家了。 装上散热器后,连上IRS2092S功放板,很好,输出电压稳定在140V(正负70V),这个我一直都有点担心,因为是开环控制,没有稳压措施,怕电压跳动大了,现在可以放下了。接上音乐工作后,电压稳定在139.6V左右小数在2,3个字跳动,需求功率在25W~27W间,在没输入时也很安静,耳朵贴到喇叭才听到少许的本底噪声。 问题出现是在接上低音炮低通滤波电路后,功放板的保护继电器根本就没法吸合,没接喇叭开机可以吸合,但接上喇叭发出的声音却让人避而远之,全是低频的隆隆声。细听象50Hz的交流低频声,开关电源是近100KHz的高频,IRS2092S更是约500K高频,怎么出来的却是AC电源的低频声,这玩笑开大了。加上各种去尖剌,抗扰电路到开关电源里,没效果,但用普通的变压器给低音炮低通滤波电路供电,却表现出色。曾一度想放弃,认为开关电源不适用在前级电路! 在参考各种电路和自己静下来细想,终于找到完美的解决办法。一开始时我的打算是主功率输出电压组(正负70V)和副输出电压组(正负25V)是绕在一个磁芯的两个独立的输出。这样的自由度更大,但是,在同一个开关变压器提供的能量,有着千丝万缕的关系,怎么能分得清楚,解决的方法也很简单,就是把主功率输出电压组(正负70V)的中点输出和副输出电压组(正负25V)的中点输出用导线连通,让它们组成共同的中点--地,而不让它们只能经信号的地线连结。 后来为了减少EMI,在输出开关变压器的初次级加上个 222 的 安规电容(Y电容),在副输出电压组中加上吸收阻容电路 在业余情况下要个合身的机箱是有点难度的,我也同样遇到此问题,最后是在家里拆了个早就丢到墙角的老VCD机,把里边的东西清理一空,然后把电源板,低通板,功放板,放进去,调整到合适的位置。 最后的样子 -=完=- 后记,此电源断断续续的差不多用了半年的时间,当时用手机拍的,不是很清楚,当时只是为了便于调试,和一种记忆。所以图片不是很全,并且不是很连连贯,有一些关键的没有照片,这机器也是赶在年初一前完成,之后也有部分的调整。总之,今年过年有点忙。! IR2153,美国IR公司为电子镇流器开发的自振半桥驱动IC,电路简单可靠,相当于一个555电路和两路驱动电路的组合。 我发觉,在镇流器控制 IC 中好多都适用于做功放电源,也有好多人这样做。 这电子镇流器上的应用 ![]() 这个是用来做功放电源了 ![]() (责任编辑:admin) |





























