|
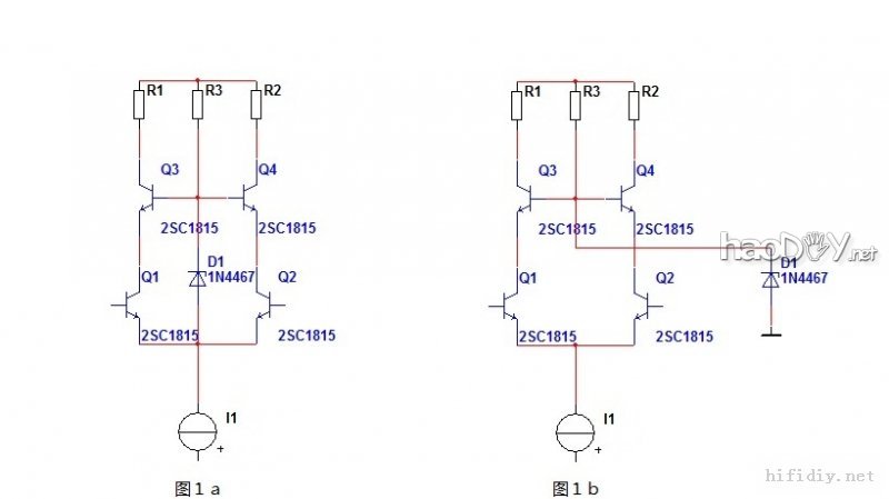
自从参加了去年的DIY比赛,我收获了很多,通过在论坛里的学习,我对功放的设计制作有了新的认识,如果不能做到低失真的话,再高的频宽和转换速率就失去了意义。有幸在论坛里再一次看到了曾经看过的《低失真单极前置放大器》一文,通过仿真把我的理解和想法融入到新的设计中,而不再是单纯的模仿,经过几个月的制作,全新的功放在5月1日正式开声,仿真性能有了数量级的提升,现在可以拿出来和大家一起分享。有关Cob对失真的影响大家可以参考《低失真单极前置放大器》一文,降低Cob的影响是整个制作的关键。 图1 图1是输入级的两种接法,仿真显示图1a中D1稳压值越小,功放的失真越小;图1b中D1稳压值越大,功放的失真越小,这是因为图1a中Q1、Q2的Vcb被固定,输入信号被叠加在Q3、Q4的Vcb上,D1稳压值越小Q3、Q4的Vcb就越大,相应的Cob就越小,失真也就越小;图1b中Q3、Q4的Vcb相对固定,输入信号被叠加在Q1、Q2的Vcb上,D1稳压值越大Q1、Q2的Vcb就越大,相应的Cob就越小,失真也就越小,所以,在耐压和功耗足够的情况下,去除Q3、Q4和D1后,Q1和Q2的Vcb将最大化,Cob最小,功放的失真也最小。这次输入级还是和去年那样N管和P管分开偏置,偏置电阻增加到1MΩ,功放中点调零后,输入管电流都是1.02mA,同时利用Ib在偏置电阻上产生的压降,进一步增加输入管的Vcb降低失真。 图2 图2是去年参赛的简化图,可以看到电压放大级采用了《低失真单极前置放大器》中的设计。 图3 这里末级管用irfp240来代替2sk1529,2并irfp9241来代替2sj200,从图3中可以看到除了开启电压不同外,它们的跨导非常接近,同时Crss也非常接近。 图4 图4是1khz、20khz和100khz 50W输出时的失真情况,1khz还不错,20khz失真有点大,100khz已经惨不忍睹。由于末级功放管的Crss或Cob远大于中小功率管,所以,同样的电路功放失真要大于前置放大电路。 图5 在去年制作过程中,我发现这个电路架构非常稳定不易自激,也曾经看到有位版主说过“不自激的放大器可以扔了”的话,觉得有一定的道理,说明放大器的潜能和极限没有被挖掘。在上面图5中增加了一级推动级Q11、Q12,目的就是要降低末级功放管Crss对电压放大级的影响。 (责任编辑:admin) |
















