最好的电子音响科技diy制作网站

haoDIY_音响电子电脑科技DIY小制作发明

当前位置: 主页 > 电子DIY > 初学园地 > 元件常识 >

光电二极管(光敏二极管)基础知识及应用电路(2)

时间:2014-07-08 21:26来源:未知 作者:admin 点击:
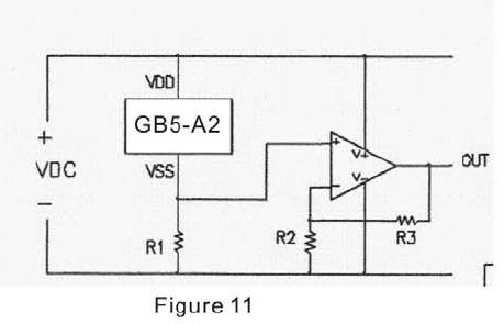
应用电路参考(图中GB5-A2为光电二极管)

光电二极管(光敏二极管)基础知识及应用电路

光电二极管(光敏二极管)基础知识及应用电路

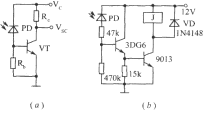
应用电路参考(图中GB5-A2为光电二极管)

光电二极管(光敏二极管)基础知识及应用电路

光电二极管(光敏二极管)基础知识及应用电路

光电二极管(光敏二极管)基础知识及应用电路

光电二极管(光敏二极管)基础知识及应用电路

光电二极管(光敏二极管)基础知识及应用电路

光电二极管(光敏二极管)基础知识及应用电路

光电二极管(光敏二极管)基础知识及应用电路

光电二极管(光敏二极管)基础知识及应用电路

光电二极管(光敏二极管)基础知识及应用电路

(责任编辑:admin)
织梦二维码生成器
顶一下
(0)
0%
踩一下
(0)
0%
------分隔线----------------------------
发表评论
请自觉遵守互联网相关的政策法规,严禁发布色情、暴力、反动的言论。
评价:
表情:
用户名: 验证码:点击我更换图片
栏目列表
推荐内容
  • 单片机概述

    什么是单片机,单片机的的历史以及主要生产厂家,单片机的主要应用领域等基本知识。 ...

  • 场效应管的配对电路

    场管的配对电路 图中电源、电阻可根据实际情况取值。一般MOS管的VGS在3.3-4.2V之间,...

  • 图解面包板

    面包板可谓是电子实验中不可缺少的一款重要工具,但是面包板为什么叫面包板,目前貌似...

  • 普通固定电阻器的分类及外形

    普通固定电阻器的分类及外形 1.碳膜电阻器 碳膜电阻(碳薄膜电阻),常用符号RT作为标...

  • AT89C51单片机

    英文名: AT89C51 Microcontroller AT89C51是一个低电压,高性能CMOS 8位单片机,片内...

  • 电源变压器原理

    英文: Transformer 变压器是应用法拉第电磁感应定律而升高或降低电压的装置。变压器...