最好的电子音响科技diy制作网站

haoDIY_音响电子电脑科技DIY小制作发明

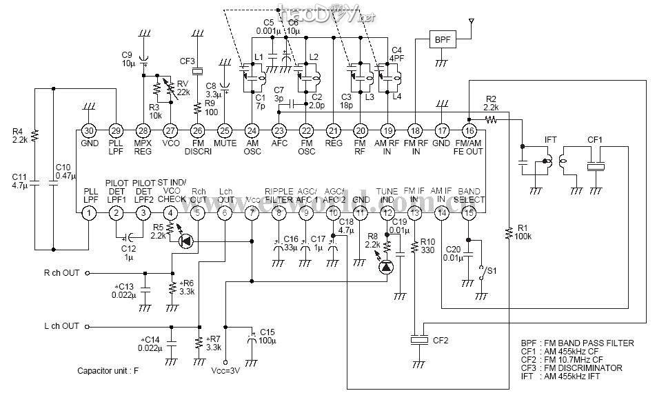
制作CXA1238M调频接收电路图

时间:2013-01-01 16:35来源:网络 作者:网络整理 点击:
免费提供各种电子制作文章、资料、图纸

制作CXA1238M调频接收电路图

(责任编辑:admin)
织梦二维码生成器
顶一下
(1)
100%
踩一下
(0)
0%
------分隔线----------------------------
发表评论
请自觉遵守互联网相关的政策法规,严禁发布色情、暴力、反动的言论。
评价:
表情:
用户名: 验证码:点击我更换图片