最好的电子音响科技diy制作网站

haoDIY_音响电子电脑科技DIY小制作发明

当前位置: 主页 > 音响DIY > 功放DIY > 后级DIY >

再次制作环氧树脂板机箱的LM4766BTL卡拉OK功放(2)

时间:2013-07-30 08:33来源:bbs.hifidiy.net 作者:爱你久久1984 点击:
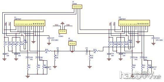
3.变压器:AC双18V环牛,100VA 4.功放板:LM4766 BTL 5.机箱:半个旧机箱+自己用环氧树脂板做的外围 除了功放板外,其他的就属于组装调试了,所以先给出功放板的设计图及照片! 2013-4-16 14:41 上传 下载附件 (108

3.变压器:AC双18V环牛,100VA
4.功放板:LM4766 BTL
5.机箱:半个旧机箱+自己用环氧树脂板做的外围

除了功放板外,其他的就属于组装调试了,所以先给出功放板的设计图及照片!
再次制作环氧树脂板机箱的LM4766BTL卡拉OK功放
再次制作环氧树脂板机箱的LM4766BTL卡拉OK功放再次制作环氧树脂板机箱的LM4766BTL卡拉OK功放再次制作环氧树脂板机箱的LM4766BTL卡拉OK功放再次制作环氧树脂板机箱的LM4766BTL卡拉OK功放再次制作环氧树脂板机箱的LM4766BTL卡拉OK功放再次制作环氧树脂板机箱的LM4766BTL卡拉OK功放
2013-4-16 14:41 上传
下载附件 (108.51 KB)
 
再次制作环氧树脂板机箱的LM4766BTL卡拉OK功放

再来详细说说组装吧!
1.其实组装没有什么特别的,就是在维修老前级上花费了不少时间,基本上把电位器、电容都换了,放大倍数也做了调整,原来放大了10倍,我根据需要调试成5倍的了; (责任编辑:admin)
织梦二维码生成器
顶一下
(2)
40%
踩一下
(3)
60%
------分隔线----------------------------
发表评论
请自觉遵守互联网相关的政策法规,严禁发布色情、暴力、反动的言论。
评价:
表情:
用户名: 验证码:点击我更换图片
栏目列表
推荐内容