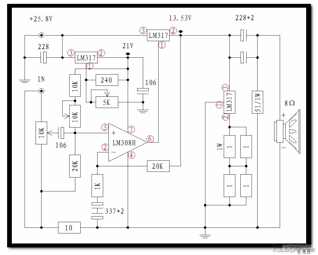
整机共用了6片LM317,其中4片单片功耗略大于15W,2片为OP提供稳定的DC22V电压,功耗忽略不计。具体参数如下:满载工作电压——DC25.8V;输出级静态电流1.25A/每声道。这样算来,输出级的静态功耗为25.8V*1.25A*2=64.5W,加上整流桥等等的消耗,整机的静态功耗岂非就有了70W?!
老哥推荐的电路那是自然要玩玩的!单管单端的线路一直很有兴趣,以前也有做过,前后级都是单管单端的架构,后级还用上了恒流源负载,只是管子用的是达林顿而非场效应管。手头场管少,翻了半天只翻出了一对半118/413;打算从报废的TDK电源中拆管子,结果开关管又用的是双极性…下周再去废板子堆里翻翻,找到材料的话就马上装一台玩。
本帖除了为317正名,机箱的散热能力也是实验的目的之一。本机的静态功耗不算小,但机箱的设计既没考虑采用专门的散热器,也没用到散热风扇,主体的散热是靠了一个声道一条垂直安装的铝合金扁管。扁管的底部被开了一个斜口,以保证在任何情况下都有足够的低温空气被吸入管内;扁管顶部的口子也未被封住,以保证管内被加热的空气顺利排出,只是出于美观的考虑在顶部的出口处安装了格栅。这两根扁管就像是两支“烟囱”,“拔”走了317产生的大部分热量。JJ装好后,我曾在“烟囱”底部偏外侧的地方放置了一支香烟,散乱的烟雾拐着弯地被悉数吸进了“烟囱”,又在顶部被格栅“撕”成一缕缕的快速而笔直地升腾。测温的结果也肯定了“烟囱”的效果:在环境温度为24℃时开机3小时,测得底部进气口处的空气温度为27℃,顶部格栅处的空气温度为41℃,而令人难以置信的是这时在铝侧板靠近安装317的位置侧得的温度同为41℃。结果表明,这样的散热方式无疑是相当成功的。
输出部分用了两片317,上面的用于电流放大,下面的是恒流源负载,两者并非并联关系。上一张最后的应用电路图,兄弟一看便知。
选用308只是因为手里有一大批,几乎用之不尽,而且金封金脚,正宗水波纹的国半正品。
