|
这个10毫秒的采样周期会不停的进行重复,代码可以参考 arduino Source Code ![]()
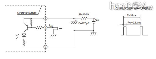
Sharp pin 1 (V-LED) => 5V (通过一个150欧的电阻连接) Sharp pin 2 (LED-GND) => Arduino GND pin Sharp pin 3 (LED) => Arduino pin 2 Sharp pin 4 (S-GND) => Arduino GND pin Sharp pin 5 (Vo) => Arduino A0 pin Sharp pin 6 (Vcc) => 5V
我使用了一个小型的40毫米风扇保证空气能够被送到夏普传感器中,可能并没有必要,因为我将一个传感器安装到了防护罩内,所以希望确认能看到有粉尘飞入。 1.5 测试和校准
使用烤盘进行测试。
如果您阅读 夏普GP2Y1010AU0F的datasheet ,就会发现图中提供的颗粒浓度(毫克/平方米)与电压相对值的比较图。但是这个图片仅仅从0.5V才有对应数据,而我的大部分试验中,电压值都是相对比较低的。所以我手工输入该图中没有涵盖的数据,并得出了一个线性方程组来近似模拟出大致的(毫克/平米) 对电压输出的关系图。
我非常想了解这个便宜的夏普传感器的灵敏度,并建立起输出电压与颗粒数量的对应关系,下面我搞了一个实验(底下的图片中就是我让锅的烟吹过传感器的效果)。烟雾迅速使得传感器饱和,就做了一个稍长时间的实验。在我女儿做完午餐后,我决定做一个”pan cake“ (松饼) 实验。你有没有注意到当在一个老式的铸铁锅用黄油做松饼的时候,满屋子都是烟?我同时将夏普传感器与专业的Dylos DC1100的读数同步上传到Pachube上,这样我就可以进行对两个传感器的对比和校准了。 从上面看出两个图有惊人的相似之处。使用一个简单的补偿和倍增因数将两组数据叠加到一起看看效果:
(V-0.0356)*120000 有趣的是,Dylos公司有个列表来评估您的空气质量与住宅环境的关系。 由于我们做的“烤松饼”实验事实上超过了常见标准达50倍。所以夏普传感器对非常小的颗粒读数的准确性和灵敏度可能还需要一些验证。 空气质量图:小颗粒读数(大于0.5微米) 3000 + = 很差很差 1050-3000 = 差 300-1050 = 还行 150-300 = 好 75-150 = 非常好 0-75 = 棒极了 1.6 结论用户也可以通过互联网社区来分享其他的数据。比如,Weather Underground就是一个很好的分享我的气象站信息的地方。而StrikeStar是一个很好的处理光照传感器数据并生成实时地图的好地方。 Pachube”发音 Patch-bay“ 将人与机器相连,与应用相连,与物联网相连。作为一个基于web的服务,整合全球的实时数据, Pachube赋予人们分享数据,合作,并利用周边世界数据的能力。 我的Dylos 空气质量和夏普空气质量数据一直在上传到Pachube上。它提供了一个简单的HTTP接口,能让你将数据发送到服务器,并生成数据图表,引用到你自己的网站上。
参考文献
文章
Sharp Sensor
Dylos
Grove Dust Sensor
声明: (责任编辑:admin) |
















