|
笔者给各人提供的是一个一装即成的红外线警戒装置。所用的元件均是平凡元件,并且笔者颠末大量的尝试建造证明,在1米-2米警戒间隔内,这是一款性价比很高的装置。
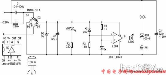
一样平常环境下,红外线警戒电路是将红外线吸取信号经放大后举办节制。而此款电路是用电压较量器的情势。
电路见上图,C1,C2,R1,D1-D5组成电源供应电路,给电路提供5V的电压。LM741的正向输入端的LED1既是事变指示又有必然的稳压浸染。反向输入端有由红外吸取管VD2和R3构因素压器。红外吸取管的反向暗阻,一样平常都在几十兆以上,而在有红外照射的环境下,电阻会降至200k至500k阁下(由光照强度和管子的特征抉择)。在VD2受到VD1的红外光照时,电阻较小,R3上的分压大于2V,IC输出低电平,SCR不能被触发,当人走到VD1和VD2之间,盖住红外光泽的时辰,VD2电阻急剧上升,R2两头分压小于2V,IC输出高电平,LED2点亮,SCR的节制极G被触发,灯L被点亮报警。 建造与留意事项:元件按电路选取即可,只要元件及格,一样平常不消调试。VD1和VD2按成对的红外线发射/吸取管购置。IC也可以用μA741取代。可控硅用1A的单向可控硅,型号是100-6。由于元件较少,直接何在一块万用电路板上就可以了。现实搭接尝试中发明,不配置调解电路环境下,因为LM741运放自己固有的特征,以及一些不确定的身分的存在,在运放输出低电平的时辰,现实输出不是抱负的0V而是有一个1V到1.3V阁下的零漂电压。以是,LED2在此一并起到触发管和触发指示的浸染。C3的浸染是和D3一路组成简朴的直流电压源,在交变电压的其它半个周期的时辰继承给灯提供后续能量,这样SCR就可以维持导通。假如在装好后发明SCR一向处在导通状态下,可以查一下是不是运放的零漂移电压高出2V。可能是红外发射管机能不良。本装置装在楼道口作为警戒器能起到精采的警戒浸染。 电路板可以装在墙内,VD1和VD2别离何在通道双方,并留意将两者对正。灯和AN可引至室内,当有人走过期,灯会亮起来,直到按下AN。安装的时辰留意在VD2的表面套上φ6mm×10mm的金属管,这样可以解除漫反射的红外线的滋扰,使电路迅速度和靠得住机能进步。假如要警戒的范畴较量大,可以增进VD1的数目,以及给VD1和VD2加上聚光镜。 其它,电路市电回收电容降压为了安详行使和装调进程要警惕。本装置有一点缺陷就是红外线发光督事变电流偏大。 本电路只作抛砖引玉,其他扩展应用笔者不多赘述,读者伴侣可以自行计划扩展应用电路。 (责任编辑:admin) |













