|
本文介绍一款由555时基构成多谐振荡器构成的参数变换电路,反相器、晶振构成标准脉冲发生器,以及三个独立LED数码管组成的数显电路构成的简易 数字电感电容表,经过测试电路数显直观、方便有效,精确度高,较好的解决了设计时因制作均衡电容、音箱分频电感产生误差导致音质受损的问题,值得电子发烧 友们亲自动手操作一试。
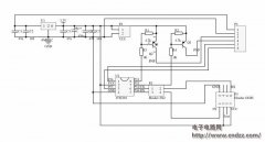
数字电感电容表原理图 1、参数变换电路: 参数变换电路由555时基构成多谐振荡器,可把被测元件Lx/Cx转换成与元件参数成正比的脉宽。然后把这具有特定脉宽的矩形作为门控信号,在脉宽时间内对一个已知周期的标准脉冲计数通过显示器就可以把脉宽(实际上是元件参数)显示出来。 测量电容时(这时波段开关在5、6、7位)是以Cx为定时元件的多谐振荡器,产生的矩形波经3脚输出,送到计数器的门控端,脉宽tw=CRcln2。 测量电感时(波段开关在1、2、3位),是以Lx为定时元件的多谐振荡器,刚接通电源时,V2(6)=Vcc,555的3脚输出低电平,7脚通地,电源 经RL的Lx充电,随着充电的进行,V2(6)↓,当达到V2(6)=1/3Vcc时,电路翻转,3脚输出高电平,7脚与地断开,因Lx电流不能突变,必 将产生一个感生电动势使D1导通,Lx经D1、RL放电,V2(6)↑,当达到V2(6)=2/3Vcc时,电路又翻转,5脚输出低电平,7脚又与地接 通,Lx又开始充电,这样5脚输出占空比为1:1的方波,送到计数器的门控端。这时脉宽为tw=Lx/RLln2。 2、标准脉冲发生器: 该电路由反相器3、4和晶体构成,晶振频率为1MHz,标准脉冲周期为T=1μs,以它作为计数器的计数脉冲。 3、计数、显示电路: 显示器由三位LED数码管构成,计数器由MC14553三位动态扫描计数器为核心构成。T=1μs的标准脉冲送入MC14553的12脚,多谐振荡器产 生的矩形脉冲送入MC14553的11脚,当11脚为高电平时,4553的12脚标准脉冲不能加入,11脚为低电平时,经反相、微分后,得到一正尖脉冲, 先给计数器清零,同时,4553闩锁解除,开始对标准脉冲计数,等11脚再输入高电平时,计数器又闩锁,同时10脚也为高电平,计数器的数据锁存,显示器 对前面计数结果稳定显示,设在这一循环中计数器为N,那么tw=NT亦即Lx/RLln2=NT,合理地选择RL或 Rc,显示器就能显示Lx的微享数或Cx的皮法数,十分直观,本仪器Lx共有0~999μH和0~999mH两档,Cx共有0~999pF, 0~999nF(纳法),0~999μF三档。 二、制作要点 关键元件是量程电阻RL及Rc,0.693Ω及1.443Ω两电阻可用高强度漆包线以线绕制,最好在电桥上进行校对,保证1%的精度。其它量程电阻可用多个电阻串并联获得,也应保证1%的精度。 三、调试 本电路调整极为简单,只需调整C2使标准脉冲频率为1MHz即可,以后使用无需校零。 本电路虽只用3位数码管作显示,但可以显示六位有效数字。如有一个47312pF的电容器,在pF档只显示732pF,拨至nF档后,显示器就显示出 004nF,所以被测电容为004732pF即4.732nF,也就是0.04732μF。电感测量时也一样,极为方便。
|


























![[视频] 微型六胆FM收音机套件](/uploads/allimg/120910/1-1209101233280-L.jpg)
![[视频] DIY的FM胆(电子管)收音机](/uploads/allimg/120908/1-120ZR142160-L.jpg)


