设计概念:
在试制hhyy99 老师的3DQ FM矿机 途中, 偶然发现把3DQ 的四脚反转了 (S<>D 对掉, G1<>G2对掉), 竟然令音响大增一部, 音质也好了, 比通常接法的3DQ线路 还好.把3V 电源串接在耳机和 3DQ 的输出端 竟可啟动3DQ 的超再生作用, 强度足以推动舌簧啦叭.
于是花了两周测试了各种不同组合.发现两线路在无源矿机和有源再生都有较好的效果. 其中一个在无源矿机的效果较强. 在此把测试成果介绍给大家.
处于FM讯号不太强之地的朋友可以试一试做这个有源无源两用FM收音机.
线路:
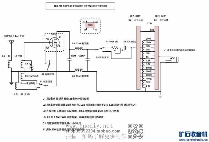
按通常接法解说, FM 拉杆天线 把 收到的FM 天波 経过天线线圈L3的阻扩变换后感应到L1 和 L2.
L1 和 C1 组成的调谐电路把选中的FM电台讯号 送到 3DQ 双栅极MOS 場效应管的栅极.
FM调频讯号透过科率检波的原理转化为调幅,调幅的电压变化 透过 G1/G2 控制 3DQ 中 源极(S)和漏极(D)之间的通度的开关和导通情度. 源极(S) 从 线圈L2 中感应到一个足夠强的电压. 这个电压 流过 源极(S)和漏极(D),L5, L6 和耳机组成的回路. 由于回路的电压受 G1/G2 控制, 跟着FM 调谐收到电台的讯号幅度的起伏改变输进耳机的电压,发出声音.
推动电流流过耳机 发出声音. L5, L6, 33pf 和 100pf 电容组成的防人体扞扰的高频濾波器C2, C3, 的开关和导留过耳机的电压大小, 跟着FM 调谐收到电台的讯号幅度的起伏改变输进耳机的电压,发出声音.
L5、L6扼流圈 的用处是阻止高频通过,和旁路电容33Pf , 100pf 的作用是提供通道给高频返回高频回路,这样可令效率更好,最重要是減低人体靠近耳机线时对FM矿机的影响,例如走台,失真等。
3DQ 无正负极性限制, G1, G2 也可互换 一个控制D-S 的电压, 一个控制增益, 加 上D S那可互换, 只要 L2 能感应到一个足夠强的电压, 它接在电路中的位置也可改变.
我测试了以下的线路,
通常接法: L2接3DQ-S+地,L1接3DQ-G1+地. 无源音量较小 和用1SS106 二极管差不多, 有源音量小.

改良线路 1 : L2接3DQ-D+地,L1接3DQ-G2+地. 无源音量大(L2 反绕), 有源音量大(L2 顺绕).

改良线路 2 : L2接3DQ-D+地,L1接3DQ-G2+地. 无源音量大(L2 反绕), 有源音量中(L2 顺绕).

改良线路 3 : L2接3DQ-D+L5,L1接3DQ-G2+地. 无源音量中(L2 反绕), 有源音量中(L2 反绕).


反覆测试后 发现 改良线路 1 效果最好.
用它做了两个线路, 一个不用T725 直接换接300-600欧舌簧耳机, 有源时更可直接接舌簧啦叭.

另一个 用T725阻扩变压器, 可调输入输出阻扩来匹配不同耳机, 也可用此调较有源再生效果.
S1 选择用L2a 顺绕(有源时较响) 或 L2b 反绕 (无源时较响)
S2 选择把增益控制空接(有源时较响) 或 接地 (无源时较响)
S3 选择 有源 或 无源
把S1,S2,S3 撥到无源时可作矿机使用.
把S1,S2,S3 撥到有源时, 3V 电源加到3DQ 和耳机之间, 令3DQ 產生再生作用 .调整100K 可变电阻控制再生大小, 也间接控制音量.
做法:
机箱用了个10元店买的聚丙烯盒子作底盆, 装上铜管和主线路板和两个接1.2 米拉杆天线的插坐. 一个接天线, 一个接地端.
找到两个小架子, 也买了減速器. 把两个小架子上下倒转了来装机.
由于在一般地点FM讯号比AM讯号较弱, 用高Q元件十分重要.
所以要用上高Q的镀银蝶形空气可变电容 1-18pf, 也可用铜制的空气可变电容,
用胶膜小形可变电容, 但 效果会差一些, 调谐回路的接线要短. 最好把L1主线圈直接焊接在可变电容上.
主线圈 L1 用 2亳米特氟龙屏镀银蔽线 绕3圈 直径25 毫米 拉长至35 毫米后直接焊接在可变电容上. 特氟龙是一种适合用在高频中的低损耗的柔软绝缘朔料可令镀银线减小接触空气 保持光亮. 镀银屏蔽线常用于高质HIFI讯号线. 最初想把里面的镀银线芯取出, 但发现太緊了, 于是就把镀银线芯和镀银屏蔽线焊在一起. 发现效果也成.
若找不到 可以用3條1毫米镀银铜线绞合(不用焊在一起,但要把绝缘除去,3條线互相緊贴短路).
L2 源极线圈 和 L3 天线线圈 用1毫米 特氟龙单枝镀银线绕一圈 直径25 毫米.
L2a 顺绕一圈(双对于 L1)
L2b 反绕一圈(双对于 L1)
L3 顺绕一圈(双对于 L1)
L5, L6 买用磁芯做的色环电感或工字电感会较好, 乜也可用 1.5M 1W电阻作骨架,0.07漆包线乱绕100匝.
当用T725时 , 用于无源时, 可调整输入阻扩至800欧或1.5K, 输出阻扩调至耳机的阻扩.
用于有源时, 可调整输入阻扩和输出阻扩令音量最大, 失真最小.
测试:
请看测试视频.
http://v.youku.com/v_show/id_XODI2MDgwMDg0.html
测试地点离FM发射站30公里所以讯号不太强.
无源时接收到数个本地FM强台, 音量不高但能清楚听到, 选择性好, 改良的线路1 令音量较常的3DQ 接法和用1ss86 二极管时高一倍.
有源再生时音量大增, 可推舌簧啦叭(低音量房內可听见), 用耳机也爆耳,要把音量调低, 音质和选择性比美市售的便隽FM收音机. |
-
-
IMG_0232.JPG (141.32 KB, 下载次数: 3)
-
-
IMG_0238.JPG (168.91 KB, 下载次数: 3)
-
-
IMG_0239.JPG (135.83 KB, 下载次数: 3)
-
-
IMG_0244.JPG (145.99 KB, 下载次数: 3)
-
-
IMG_0245.JPG (149.02 KB, 下载次数: 4)
-
-
IMG_0079.JPG (73.99 KB, 下载次数: 4)
-
-
IMG_0080.JPG (63.19 KB, 下载次数: 4)
-
-
IMG_0081.JPG (71.88 KB, 下载次数: 3)
-
-
IMG_0165.JPG (55.87 KB, 下载次数: 3)
-
-
IMG_0168.JPG (56.28 KB, 下载次数: 4)
-
-
IMG_0170.JPG (61.8 KB, 下载次数: 2)
更正:: 改良线路1的图: L2接S+地,L1接G2+地
测试FM矿机时, 除了拉杆天线的长度和位置要好, 耳机线的位置同样重要, 会直接影响能否收到台.
我发现最佳位置是把耳机线的首半段垂直吊起, 另半段水平伸向耳朵.
若用手吊起或掛在别处都不方便, 把FM机移动时常忘了耳机线仍掛在别处, 很容易把耳机线弄破.
看见了朔料吸管, 灵机一触, 做了个 FM矿机耳机线夹.
利用此夹子, 把耳机线掛在拉杆天线旁边一定距离, 互不杆扰, 又可把耳机线固定在一个接收讯号较好的位置.
十分方便.

再補充一点
3DQ 十分珍贵 怕高温也怕静电, 所以我不会直接焊进电路里, 我是这样處理3DQ 的:
1. 焊接要用30Watt 以下的烙铁 ,烙铁加熱后关掉电源,用余温快速焊接.
或 做个简单的电路把烙铁减温方便焊接3DQ, 可參考这帖子:
http://www.crystalradio.cn/thread-539479-1-1.html
2. 用一个小洞洞板把3DQ 焊接到一个并排的四针排头上. 3DQ 做好后 插进防静电绵中收起備用. 3DQ排列由左至右是: G2, D, S, G1.

3. 做矿机时做个4孔插座, 为了减少损耗, 我用镀银铜线作接线, 然后焊接到矿机的线路上. 再把先前做好的3DQ 插上.
(责任编辑:admin) |