|
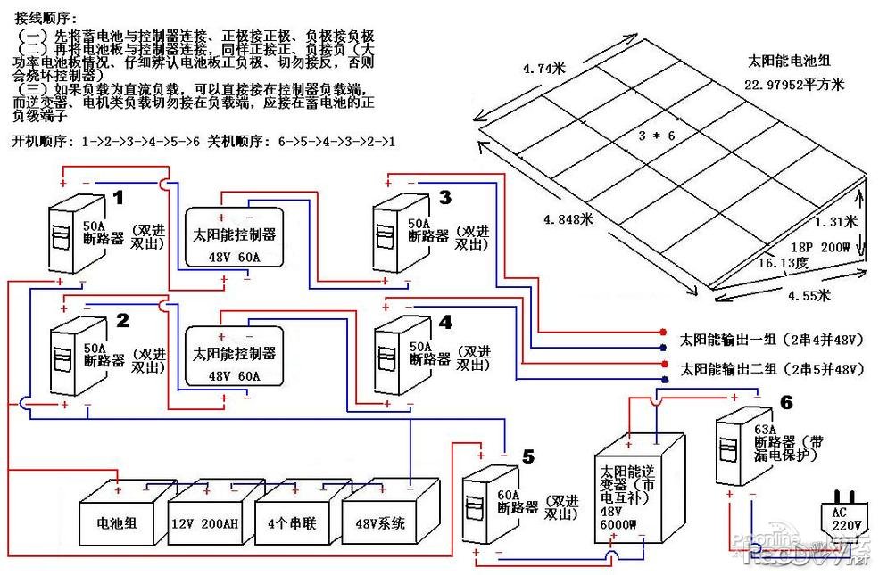
福州 26.08 θ+4 济南 36.68 θ+6 一般情况也有直接取其纬度,或直接加5,加10 ![]() ![]() ![]() ![]() ![]() ![]() ![]() 最后总结,一共使用18块200W单晶硅太阳电池板3600W系统,4个12V200AH电池串联成48V,逆变器是48V 6000W的,可以支撑3台2匹空调同时使用,两层楼所有生活用电、以及网络、监控、自动水泵、楼道灯都使用此逆变器供电,可以满足日常生活需要。需要注意的是逆变器可以调节充电电流如果不想使用市电供电可以将此电流调节为零,那么就可以更加充分利用太阳能发电。4个电池可以满足一整晚用电,到第二天7、8点太阳升起又继续使用太阳能供电,蓄电。不用自己花一分钱电费。4个电池还是少了点,考虑到放电过快(两组电池与一组相比电压稳定许多)和对大功率电器的支撑,现在已经增加到8个电池一共是200 * 8 = 1600AH(因为逆变器有电池的保护机制,最多可以使用70%,折算起来大概可以使用到11.2度电),这样可以在没有阳光的情况下使用1天左右(各个家庭用电情况不同,可以根据自己家庭用电情况增减)。现在用了几天4个电池的话最多发电一天是11度多,因为没有更多电池充电,也用不了这么多电(8个电池还在测试中)。整套太阳能发电系统花去近5万元,其中不锈钢支架和机柜布线就花去了16000,还有就是电池太贵。自己做了很多前期学习研究才下手,总的来说还是对太阳能很满意,希望以后电池技术能有突破,可以存电更多,更耐用。相信以后太阳能一定会更加普及。 (责任编辑:admin) |


























